軸承導套
- 產品介紹
- 技術參數
- 產品圖片
R072001280 力士樂抗扭集成導套結構:
——塑料導向架和外套筒
——淬火鋼襯套
——用滾動軸承鋼制造的滾珠
——精密鋼軸帶滾道槽
——淬火鋼調整螺栓
——鋼制防松螺栓
不帶軸抗扭集成滾珠導套部件號:R072001200

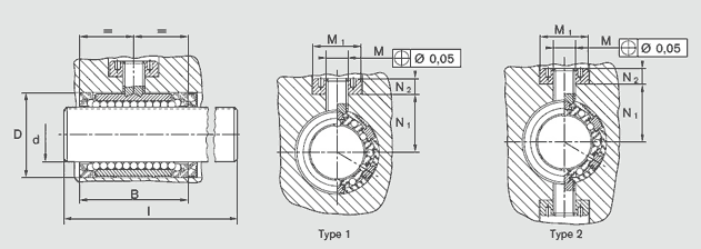
| ød | 12 | |
| D | 22 | |
| B | 32 | |
| M | M6X0.5 | |
| M1 | 8 | |
| N1+0.1 | 14.4 | |
| N2 | 1.3 | |
| 標準長(mm) | 400 | |
| 額定扭矩Mt(Nm) | 2 | |
| 額定載荷(N) C | 640 | |
| 額定載荷(N) C0 | 420 | |
| 重量滾珠導套(KG) | 0.026 | |
| 重量軸(KG/m) | 0.89 |
1)不帶軸抗扭滾珠導套部件號:軸徑12和16:R0720 0..00 軸徑20至50:R0720 3..00
2)舉例R0720016(80)變為85:軸長900mm 87:軸長1200mm 88:軸長2000mm








