導軌滑塊配件
- 產品介紹
- 技術參數
- 產品圖片
R182031040 力士樂鋼刮刷片的作用是防止贓物、鐵屑等侵入滑塊的內部,從而避免提前結束滑塊的使用壽命。帶間隔板的鋼刮刷片用于有熱金屬切屑及焊接飛濺物的環境。

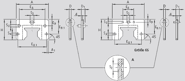
| A | 63.0 | |
| A1 | 2.0 | |
| D | 5 | |
| D1 | 7.50 | |
| E8 | 50.3 | |
| E8.1 | 56.6 | |
| E9 | 12.4 | |
| E9.1 | 28.4 | |
| H | 39.8 | |
| S21) | 7 | |
| S3 | 4 | |
| S4 | 3 | |
| 重量 g | 30 |
1)間隔板上的孔已預鉆好。在需要時鉆通
品牌:博世力士樂
名稱:鋼刮刷片
部件號:R182031040
規格:35
" />R182031040 力士樂鋼刮刷片的作用是防止贓物、鐵屑等侵入滑塊的內部,從而避免提前結束滑塊的使用壽命。帶間隔板的鋼刮刷片用于有熱金屬切屑及焊接飛濺物的環境。

| A | 63.0 | |
| A1 | 2.0 | |
| D | 5 | |
| D1 | 7.50 | |
| E8 | 50.3 | |
| E8.1 | 56.6 | |
| E9 | 12.4 | |
| E9.1 | 28.4 | |
| H | 39.8 | |
| S21) | 7 | |
| S3 | 4 | |
| S4 | 3 | |
| 重量 g | 30 |
1)間隔板上的孔已預鉆好。在需要時鉆通