絲杠螺母
R151247032 力士樂絲杠螺母FED-E-B 40x20Rx6-4x2
公稱直徑:40
導程:20R(R=右旋,L=左旋)
滾珠直徑:6
螺母內的螺旋圈數:4
021-57893800工作時間:周一至周五 9:00-18:00
- 產品介紹
- 技術參數
- 產品圖片
R151247032 力士樂絲杠螺母FED-E-B 40x20Rx6-4x2是法蘭式雙頭單螺母(d0xPxDW-ixb:40x20Rx6-4x2),標準系列,安裝尺寸與DIN 69 051,* 5 部分類似法蘭形式 B
雙頭螺母,可明顯提高動態和靜態額定載荷,安裝尺寸與力士樂標準系列一致,帶標準密封,帶軸向間隙或縮減的軸向間隙,預緊 2%; 3%,用于精密滾壓絲杠 SN-R,公差等級 T5、T7。
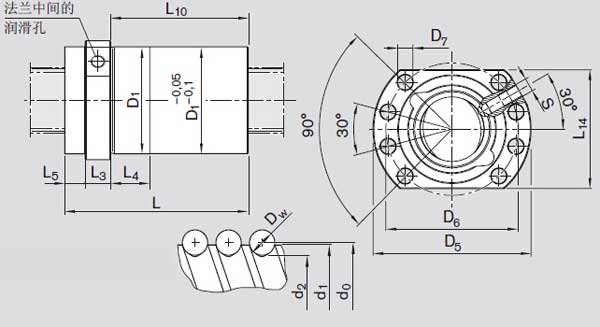
d0 = 公稱直徑
P = 導程,(R = 右旋,L = 左旋 )
DW = 滾珠直徑
i = a x b
a = 每頭的承載螺旋圈數
b = 每根絲杠的承載頭數
|
d1 |
38 |
|
d2 |
33.8 |
|
D1 /g6 |
63 |
|
D5 |
93 |
|
D6 |
78 |
|
D7 |
9.0 |
|
L |
108 |
|
L3 |
15 |
|
L4 |
25 |
|
L5 |
13.0 |
|
L10 |
80.0 |
|
L14 |
70 |
|
重量(KG) |
1.85 |
|
額定動載C(KN) |
76.4 |
|
額定靜載C0(KN) |
171.1 |
|
*高靜載荷1) 2) (KN) |
87 |
|
速度Vmax(m/min) |
75 |
1) 滾動觸點的承載能力大于螺母本身的機械強度,所以將*高靜載荷也列出。
2) 您在選配端部支承時,請與我們銷售人員聯系!








