滾柱滑塊
- 產品介紹
- 技術參數
- 產品圖片
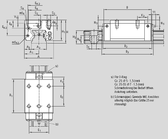
力士樂滾柱滑塊R182153117是窄型、標準長、高滑塊。在滑塊的前進通道中的滾柱的側向導向是框架的主要任務,在安裝和拆卸滑塊時,框架保證滾柱的夾持和避免滾柱掉落。每個框架上的兩個縱向密封保護滾動體和滾道不受污染。

| A | 100 | |
| A1 | 50 | |
| A2 | 53 | |
| A3 | 23.5 | |
| B | 166.5 | |
| B1 | 123.1 | |
| B2 | 170.5 | |
| B3 | 177 | |
| d8 | 10 | |
| d 8.2 | 6 | |
| E1 | 75 | |
| E2 | 75 | |
| E8 | 74.2 | |
| E 8.2 | 81.60 | |
| E9 | 28.95 | |
| E 9.2 | 50.75 | |
| H | 80 | |
| H1 | 68 | |
| H21) | 47.85 | |
| H22) | 47.55 | |
| K1 | 31.75 | |
| K2 | 34.95 | |
| N3 | 19 | |
| N5 | 19.0 | |
| N6±0.5 | 28.7 | |
| S2 | M12 | |
| S5 | 16 | |
| S93) | M5-8深 | |
| T24) |
60.0 |
|
| V1 | 12.0 | |
| 重量 | 4.6 | |
| 額定載荷C | 128 900 | |
| 額定載荷 C0 | 248 600 | |
| 額定轉矩 Mt | 3 779 | |
| 額定轉矩 Mto | 7 288 | |
1)尺寸H2帶防護帶
2)尺寸H2不帶防護帶
3)不帶滾珠鏈的滾珠滑塊的額定載荷和轉矩。
額定載荷和額定動轉矩是以100,000米行程為基礎確定的(根據ISO 14728-1),但實際中經常是以50,000米行程為基礎。
在此情況下,表格中的C、Mt、和ML的值乘以1.26。








