滾珠導軌
- 產品介紹
- 技術參數
- 產品圖片
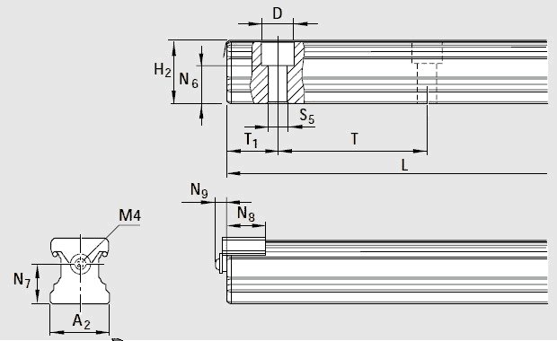
R160546331——帶防護帶和防護端蓋的力士樂滾珠導軌SNS
該力士樂導軌從上面用螺栓安裝,帶有按DIN EN10088的耐腐蝕彈簧鋼制造的防護帶和螺栓擰緊式塑料防護端蓋(斷面有螺紋孔)

| A2 | 28 | |
| D | 15.0 | |
| H21) | 28.55 | |
| Lmax2) | 3 836 | |
| N6 ±0.5 |
17.0 |
|
| N73) | 18.0 | |
| N8 | 15.2 | |
| N9 | 7.0 | |
| S5 | 9.0 | |
| T | 80 | |
| T1 min4) |
16 |
|
| T1s 5) | 38.0 | |
| T1 max | 68 | |
| 重量 | 5.0 |
1)尺寸H2帶防護帶
規格15:帶0.1mm厚的防護帶
規格20-30:帶0.2mm厚的防護帶
規格35-65:帶0.3mm厚的防護帶
2)對于規格20-45,精度N,H和P的滾珠導軌,單段供貨長度
規格20-25:*長可達5816mm
規格30-35:*長可達5836mm
規格45:*長可達5771mm
3)N7為帶防護帶的尺寸。
4)如果端部尺寸小于T1 min,則導軌端面不能加工螺紋孔。
5)推薦:首選尺寸T1s,公差 ±0.75。
6)由于加工原因,導軌的底面可能是平的(沒有底槽)。








